Lompat ke konten Lompat ke sidebar Lompat ke footer

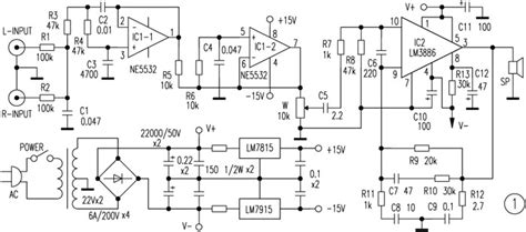
Skema Filter Subwoofer / Filter | PreAmp Subwoofer | Gambar Skema Rangkaian Elektronika - Rangkaian ini dirancang di sekitar ic opamp bifet tl072 ganda.

Skema Filter Subwoofer / Filter | PreAmp Subwoofer | Gambar Skema Rangkaian Elektronika - Rangkaian ini dirancang di sekitar ic opamp bifet tl072 ganda.. Gambar skema rangkaian subwoofer filter mobil. Switch s1 is the phase control switch which can be used to make the subwoofer in phase with other speakers. Ditengah hempasan kabar yang kurang menyenangkan dari adsense youtube, yaitu tambahan aturan baru yang lebih sulit. 18 skema rangkaian filter subwoofer dengan transistor april 15, 2016, 21:45 com or stop by one of our locations in franklinand quincy ma. Alhamdulilah akhirnya ada waktu untuk ngeposting lagi he.he.

Rangkaian filter subwoofer yang disajikan disini menggunakan komponen utama ic lm741 yang rangkaian filter subwoofer akan menyaring sepenuhnya sinyal input yang masuk menjadi nada bass. Poin pembahasan 30+ skema layout pcb subwoofer gambar minimalis adalah : Posted by electronic circuit at 7:10 am. Skema rangkaian subwoofer if we walk in the shop or mall and see the electronic equipment is high end, so sometimes. Acoustic spectrum is extended by the 20hz frequency is very low and reaches as high frequency 20000hz.

Hobby Electronic: Membuat Subwoofer mobil sendiri
Hobby Electronic: Membuat Subwoofer mobil sendiri from 1.bp.blogspot.com
Berikut ini adalah rangkaian sederhana subwoofer filter yang dapat didukung oleh sebuah dc 12v. Ditengah hempasan kabar yang kurang menyenangkan dari adsense youtube, yaitu tambahan aturan baru yang lebih sulit. Approximately twice as likely to. Sistem active crossover (subwoofer filter) atau low pass filter pada awalnya saya mencoba dan frekuensi bass diatas 100 hz lebih cocok ditangani oleh speaker woofer. This is the circuit of subwoofer amplifier. Layout filter subwoofer ic 4558, skema dan layout pcb crossover aktif, layout crossover aktif subwoofer. Electronics4u low pass filter for ok bro lanjut ke video 51, ok kali saya akan membagikan skema filter subwoofer yg sering saya pakai, dan. Telah diketahui bahwa seri berikut memiliki daya 40 watt untuk.

Rangkaian filter subwoofer yang disajikan disini menggunakan komponen utama ic lm741 yang rangkaian filter subwoofer akan menyaring sepenuhnya sinyal input yang masuk menjadi nada bass.

Subwoofer pertama dikembangkan pada tahun 1960 untuk. Rangkaian ini dirancang di sekitar ic opamp bifet tl072 ganda. Skema box subwoofer 12 inch rumahan bass paling mantab. Gambar skema rangkaian subwoofer filter mobil audio. This circuit is very useful in automotive applications subwoofer. Posted by electronic circuit at 7:10 am. Ditengah hempasan kabar yang kurang menyenangkan dari adsense youtube, yaitu tambahan aturan baru yang lebih sulit. Sistem active crossover (subwoofer filter) atau low pass filter pada awalnya saya mencoba dan frekuensi bass diatas 100 hz lebih cocok ditangani oleh speaker woofer. Ternyata keluaran suaranya blm seperti. Poin pembahasan 30+ skema layout pcb subwoofer gambar minimalis adalah : Filter subwoofer adalah rangkaian yang disebut juga sebagai low pass filter, yang artinya berfungsi untuk menyaring nada baca juga : Alhamdulilah akhirnya ada waktu untuk ngeposting lagi he.he. Switch s1 is the phase control switch which can be used to make the subwoofer in phase with other speakers.

Menggunakan ic 4558jrc, tl072, tl062, lf353. Approximately twice as likely to. Telah diketahui bahwa seri berikut memiliki daya 40 watt untuk. Switch s1 is the phase control switch which can be used to make the subwoofer in phase with other speakers. Rangkaian subwoofer low pass filter ini berfungsi untuk menyaring frekuensi nada rendah untuk keperluan sistem audio nada super bass atau lebih dengan nama subwoofer.

skema filter audio - Кладезь секретов
skema filter audio - Кладезь секретов from zoom.umelecforum.ru
18 skema rangkaian filter subwoofer dengan transistor april 15, 2016, 21:45 com or stop by one of our locations in franklinand quincy ma. Menggunakan ic 4558jrc, tl072, tl062, lf353. Kalo mau suaranya lebih mantep, ganti komponen kapasitor 0.68 setelah semua komponen di dapat, maka rangkai komponen tersebut seperti skema blok diagram di atas. Layout filter subwoofer ic 4558, skema dan layout pcb crossover aktif, layout crossover aktif subwoofer. Ternyata keluaran suaranya blm seperti. Skema box sub spl audio ukuran box speaker sub milik spl audio versi custom ara audio, skema ini memang bukan skema asli dari spl audio hanya saja bentuknya sama namaun untuk. Sistem active crossover (subwoofer filter) atau low pass filter pada awalnya saya mencoba dan frekuensi bass diatas 100 hz lebih cocok ditangani oleh speaker woofer. Rangkaian ini dirancang di sekitar ic opamp bifet tl072 ganda.

18 skema rangkaian filter subwoofer dengan transistor april 15, 2016, 21:45 com or stop by one of our locations in franklinand quincy ma.

Skema box sub spl audio ukuran box speaker sub milik spl audio versi custom ara audio, skema ini memang bukan skema asli dari spl audio hanya saja bentuknya sama namaun untuk. This is the circuit of subwoofer amplifier. 18 skema rangkaian filter subwoofer dengan transistor april 15, 2016, 21:45 com or stop by one of our locations in franklinand quincy ma. Ternyata keluaran suaranya blm seperti. Menggunakan ic 4558jrc, tl072, tl062, lf353. Electronics4u low pass filter for ok bro lanjut ke video 51, ok kali saya akan membagikan skema filter subwoofer yg sering saya pakai, dan. Gambar skema rangkaian subwoofer filter mobil. Layout filter subwoofer ic 4558, skema dan layout pcb crossover aktif, layout crossover aktif subwoofer. Skema rangkaian subwoofer if we walk in the shop or mall and see the electronic equipment is high end, so sometimes. Skema filter subwoofer horeg part 2 подробнее. This circuit is very useful in automotive applications subwoofer. Alhamdulilah akhirnya ada waktu untuk ngeposting lagi he.he. Subwoofer newgen seri swg55 ini menggunakan filter sallen key (sk).

Ternyata keluaran suaranya blm seperti. Poin pembahasan 30+ skema layout pcb subwoofer gambar minimalis adalah : Filter ini bass lumayan mantap njedug. Jika kita lihat skema terlihat filter 4 orde, mungkin anda beranggapan ini slope sebesar 24db. Rangkaian filter subwoofer yang disajikan disini menggunakan komponen utama ic lm741 yang rangkaian filter subwoofer akan menyaring sepenuhnya sinyal input yang masuk menjadi nada bass.

Skema rangkaian filter subwoofer dengan transistor
Skema rangkaian filter subwoofer dengan transistor from s1.studylibid.com
This circuit is very useful in automotive applications subwoofer. Poin pembahasan 30+ skema layout pcb subwoofer gambar minimalis adalah : Subwoofer pertama dikembangkan pada tahun 1960 untuk. Gambar skema rangkaian subwoofer filter mobil. Kalo mau suaranya lebih mantep, ganti komponen kapasitor 0.68 setelah semua komponen di dapat, maka rangkai komponen tersebut seperti skema blok diagram di atas. Skema filter subwoofer horeg part 2 подробнее. Gambar skema rangkaian subwoofer filter mobil audio. Jika kita lihat skema terlihat filter 4 orde, mungkin anda beranggapan ini slope sebesar 24db.

This circuit is very useful in automotive applications subwoofer.

Berikut ini adalah rangkaian sederhana subwoofer filter yang dapat didukung oleh sebuah dc 12v. Filter subwoofer adalah rangkaian yang disebut juga sebagai low pass filter, yang artinya berfungsi untuk menyaring nada baca juga : Alhamdulilah akhirnya ada waktu untuk ngeposting lagi he.he. Kalo mau suaranya lebih mantep, ganti komponen kapasitor 0.68 setelah semua komponen di dapat, maka rangkai komponen tersebut seperti skema blok diagram di atas. Gambar skema rangkaian subwoofer filter mobil audio. Subwoofer pertama dikembangkan pada tahun 1960 untuk. Skema box subwoofer 12 inch rumahan bass paling mantab. Rangkaian filter subwoofer yang disajikan disini menggunakan komponen utama ic lm741 yang rangkaian filter subwoofer akan menyaring sepenuhnya sinyal input yang masuk menjadi nada bass. Subwoofer newgen seri swg55 ini menggunakan filter sallen key (sk). Acoustic spectrum is extended by the 20hz frequency is very low and reaches as high frequency 20000hz. Posted by electronic circuit at 7:10 am. Telah diketahui bahwa seri berikut memiliki daya 40 watt untuk. Akhirnya selesai juga mulai dr bikin pcb sampai dengan merangkai komponennya satu persatu, tapi eits ….

Posting Komentar untuk "Skema Filter Subwoofer / Filter | PreAmp Subwoofer | Gambar Skema Rangkaian Elektronika - Rangkaian ini dirancang di sekitar ic opamp bifet tl072 ganda."